?產品介紹
華凱SQS系列汽水混合器是公司引進國外技 術開發研制的新型節能環 保產品。它是利用蒸汽與水直接混合將水加熱,具有低噪聲、無振動、熱效高等特點,被廣泛地應用在加熱生活、生產用熱水及熱水除氧等系統中。汽水混合器長期運行實踐證明,該產品使用效果良好。

?結構原理
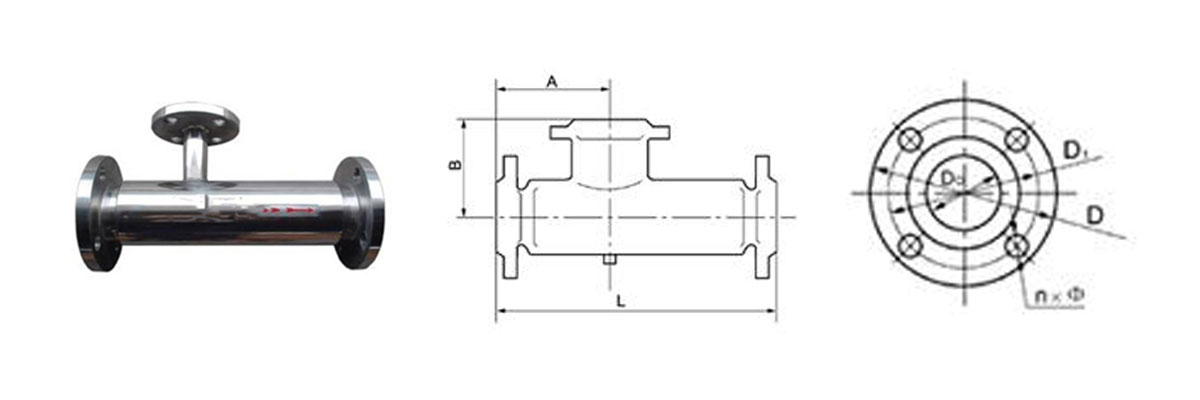
氣水混合器主要由噴管、殼體、網板等部分組成。被加熱水通過呈拉伐爾狀的噴管時,蒸氣從汽水混合器噴管外側通過管壁上許多斜向小噴頭噴入水中,兩者在高速流動中瞬間良好混合,以達到加熱的目的。調節蒸氣側閥門,就可得到所需溫度的熱水。
表I及表II分別列出汽水混合器開式系統和循環系統在額定進水流量及蒸氣為0.4MPa下,不同加熱溫度與蒸氣消耗量的關系,供客戶選擇汽水混合器和復核氣源時參考。(說明:蒸氣壓力0.4MPa不一定是加熱器運行的工況條件)。
| SQS | 0 | 4 | 6 | 8 | 10 | 12 | 16 | 20 | 24 | 32 | 40 | 48 |
|---|---|---|---|---|---|---|---|---|---|---|---|---|
| 額定進水量D1 | 0 | 1.2 | 2.5 | 4.5 | 7 | 10 | 16 | 25 | 35 | 60 | 105 | 165 |
| 加熱溫差℃(20) | 20 | 0.039 | 0.081 | 0.146 | 0.228 | 0.325 | 0.52 | 0.813 | 1.138 | 1.951 | 3.145 | 5.366 |
| 加熱溫差℃(40) | 40 | 0.081 | 0.188 | 0.303 | 0.471 | 0.672 | 1.076 | 1.681 | 2.353 | 4.034 | 7.057 | 11.092 |
| 加熱溫差℃(60) | 60 | 0.125 | 0.261 | 0.469 | 0.73 | 1.043 | 1.699 | 2.609 | 3.652 | 6.261 | 10.952 | 17.217 |
| 加熱溫差℃(80) | 80 | 0.173 | 0.36 | 0.649 | 1.009 | 1.441 | 2.306 | 3.603 | 5.045 | 8.649 | 15.135 | 23.784 |
汽水混合器開式系統蒸氣消耗量表(飽和蒸氣壓力為0.4MPa)表I 單位:t/h
| SQS | 0 | 4 | 6 | 8 | 10 | 12 | 16 | 20 | 24 | 32 | 40 | 48 |
|---|---|---|---|---|---|---|---|---|---|---|---|---|
| 額定進水量D1 | 0 | 1.2 | 2.5 | 4.5 | 7 | 10 | 16 | 25 | 35 | 60 | 105 | 165 |
| 加熱溫差℃(70 - 95) | 70 - 95 | 0.054 | 0.112 | 0.201 | 0.312 | 0.446 | 0.714 | 1.116 | 1.562 | 2.678 | 4.687 | 7.366 |
| 加熱溫差℃(70 - 110) | 70 - 110 | 0.088 | 0.183 | 0.33 | 0.514 | 0.734 | 1.174 | 1.83 | 2.569 | 4.404 | 7.706 | 12.11 |
| 加熱溫差℃(70 - 130) | 70 - 130 | 0.137 | 0.286 | 0.454 | 0.8 | 1.143 | 1.829 | 2.857 | 4 | 6.857 | 12 | 18.8 |
注:表I、表II中0.4MPa蒸氣不一定是本產品的使用條件。具體汽水混合器使用請咨詢銷售工程師
?SQS汽水混合器外形尺寸表
| 型號 | 各型號參數 | |||||||||||
|---|---|---|---|---|---|---|---|---|---|---|---|---|
| 0 | SQS-4 | SQS-6 | SQS-8 | SQS-10 | SQS-12 | SQS-14 | SQS-20 | SQS-24 | SQS-32 | SQS-40 | SQS-48 | |
| 安裝尺寸 A | 105 | 105 | 130 | 130 | 130 | 220 | 220 | 220 | 450 | 450 | 450 | 450 |
| 安裝尺寸 B | 105 | 105 | 130 | 130 | 130 | 170 | 170 | 170 | 300 | 300 | 300 | 300 |
| 安裝尺寸 L | 240 | 240 | 360 | 360 | 360 | 660 | 660 | 660 | 1200 | 1200 | 1200 | 1200 |
| 水側連接法蘭 DN | 30 | 30 | 50 | 50 | 50 | 100 | 100 | 100 | 200 | 200 | 200 | 200 |
| 水側連接法蘭 D1 | 110 | 110 | 145 | 145 | 145 | 210 | 210 | 210 | 350 | 350 | 350 | 350 |
| 水側連接法蘭 D | 145 | 145 | 180 | 180 | 180 | 245 | 245 | 245 | 405 | 405 | 405 | 405 |
| 水側連接法蘭 n*φ | 4*18 | 4*18 | 4*18 | 4*18 | 4*18 | 8*18 | 8*18 | 8*18 | 12*22 | 12*22 | 12*22 | 12*22 |
| 汽側連接法蘭 DN | 40 | 40 | 65 | 65 | 65 | 125 | 125 | 125 | 250 | 250 | 250 | 250 |
| 汽側連接法蘭 D1 | 110 | 110 | 145 | 145 | 145 | 210 | 210 | 210 | 350 | 350 | 350 | 350 |
| 汽側連接法蘭 D | 145 | 145 | 180 | 180 | 180 | 245 | 245 | 245 | 405 | 405 | 405 | 405 |
| 汽側連接法蘭 n*φ | 4*18 | 4*18 | 4*18 | 4*18 | 4*18 | 8*18 | 8*18 | 8*18 | 12*22 | 12*22 | 12*22 | 12*22 |







