?產品介紹
HK-Ti2系列過濾器為全鈦材質制作,耐腐蝕,此類過濾器體積小、重量輕、使用方便、過濾面積大、堵塞率低、過濾速度快、熱稀穩定性及化學穩定性好。此濾器能濾除大部分微粒,所以廣泛應用于精濾和除菌工藝。濾筒內可裝有1芯、3芯、5芯、7芯、9芯、11芯、13芯、15芯等,折疊式濾芯長度有10、20、30、40 英寸,濾芯材質聚四乙烯、聚砜、尼龍、聚丙烯、醋酸纖維。過濾孔徑有:0.1um、0.22um、1um、3um、5um、10um等 又分疏水性(適用于氣體)和親水性(適用于液體)濾芯,可根據需要選用。
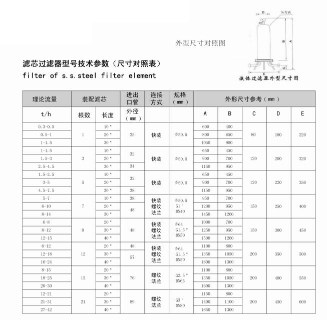
?技術參數
過濾量:0.05-20T/H
濾器使用壓力:0.1-0.6Mpa
濾器規格芯數:1、3、5、7、9、11、13、15、
濾器使用溫度:5-55°C
各種濾芯的特點及應用 :聚四氟乙烯膜(PTFE)濾芯,聚硐膜(HE)濾芯,聚丙烯膜(PP)濾芯,醋酸纖維膜(CN-CA)濾芯, 過濾精度從0.1-60um,長度有10、20、30和40英寸(即250、500、750、1000mm)四種, 上述濾芯,耐壓為0.42mpa,可反沖。接口方式有插入式(222、226座二種)和平嘴式兩種。







